Подключение ЭБУ Delphi
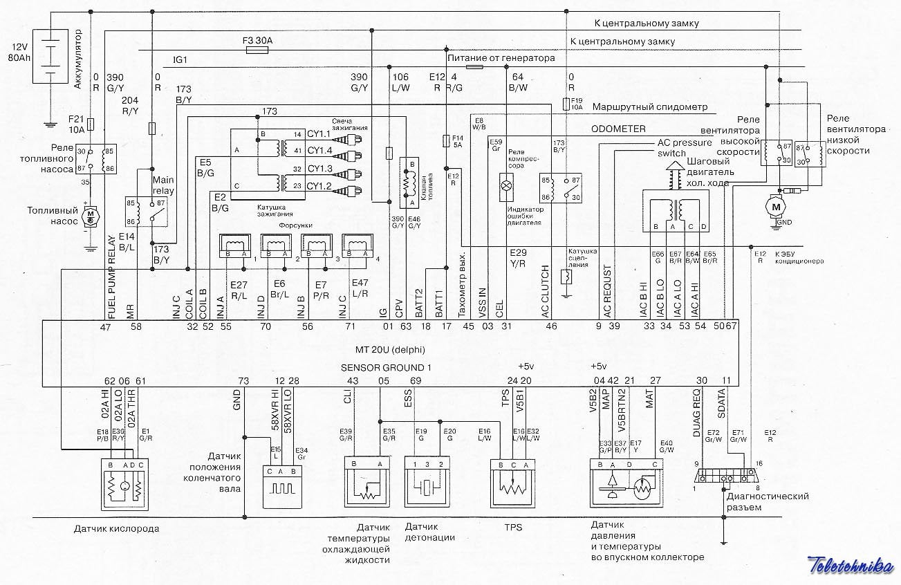
MT20U, MT20U2




Delphi 50.06 Mercedes Benz
Delphi 50.05 Mercedes Benz


Delphi 21.06 Mercedes Benz

Delphi LJ604 - DAF Truck

Delphi HSFI C - Holden, Opel, Vauxhall

Delphi HSFI 2.5 -Opel

Delphi HSFI 2.4 - Holden, Opel, Vauxhall

Delphi HSFI 2.1 - Holden, Opel, Vauxhall

Delphi DDCR CR-U - Hyundai, Kia


Delphi DCM 3.5 - Ford

Delphi DCM 1.2 - Suzuki, Delphi DCM 1.2 - Renault, Delphi DCM 1.2 - Peugeot
Delphi DCM 1.2 - Nissan, Delphi DCM 1.2 - Dacia, Delphi DCM 1.2 - Citroen

Delphi CRD 3.50 OM651 - Mercedes Benz

Delphi CRD 3.10 OM651 - Mercedes Benz

Delphi CRD 2.62 OM651 - Mercedes Benz

Delphi CRD 2.61 OM651 - Mercedes Benz

Delphi CRD.11 OM646 - Mercedes Benz

Delphi CRD 2.35 OM651 - Mercedes Benz

Delphi CRD 2.30 OM651 - Mercedes Benz

Delphi - Ssang Young

Delphi - Isuzu

Delphi - Ford
