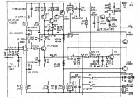
Усилительный блок любительского радио комплекса
Основные технические характеристики усилителя мощности:
Номинальная выходная мощность , Вт, ..........................2x25 (2x60)
Полоса мощности, кГц ........................................... 0,02…150(100)
Номинальное входное напряжение, В .................................... 1(1)
Коэффициент гармоник, %, на частоте, кГц:
1 .............................................................................. 0,1(0,1)
2 ............................................................................ 0,14(0,55)
10 ............................................................................ 0,2(0,9)
20 ............................................................................. 0,35(1,58)
Коэффициент интермодуляционных искажений, %,......... 0,3(0,47)
Входное сопротивление, кОм ............................................... 150
Ток покоя выходного каскада, мА ......................................... 50(50)
Каскад усиления напряжения сигнала выполнен на ОУ А1. Как видно из схемы, в цепь его питания подается часть выходного сигнала через цепь R6C3C4R4R5 (вместе со стабилитронами V6, V7 элементы этой цепи, кроме резистора R6, обеспечивают стабилизацию и фильтрацию питающих напряжений). В результате напряжения на выводах питания ОУ при максимальном сигнале смещаются (относительно общего провода) в соответствующую сторону и размах выходного сигнала ОУ значительно увеличивается. Возникающие при этом на входах ОУ большие синфазные сигналы не представляют собой опасности, так как ОУ их хорошо подавляет (типичное значение коэффициента ослабления 70…90 дБ). При подаче сигнала на инвертирующий вход стабилизированные напряжения питания не должны превышать +-28 В, на инвертирующих - значения, равного (11вх+28 В), где 11вх -амплитуда входного сигнала. Неиспользуемый вход в любом случае необходимо соединить с общим проводом. ОУ К140УД8А в усилители мощности можно заменить на К140УД8Б, К140УД6, К140УД10, К140УД11, К544УД1. Худшие результаты дает применение ОУ К140УД7. Вовсе не рекомендуется использовать ОУ К140УД1Б, К140УД2А, К140УД2Б, К153УД1. Вместо стабилитронов КС518А можно применить соединенные последовательно стабилитроны Д814А, Д814Б с общим напряжением стабилизации около 18В.

Принципиальная схема усилительного блока любительского радио комплекса
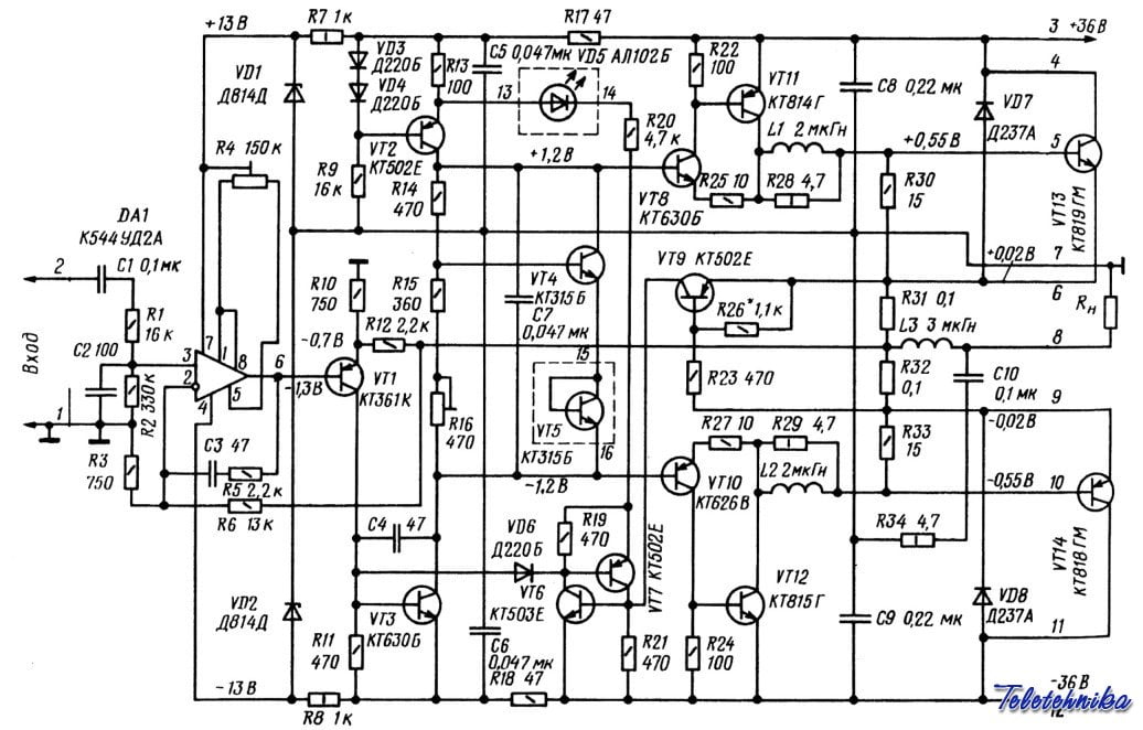
Высококачественный УНЧ
Описываемый ниже усилитель пригоден для усиления мощных звуковых сигналов в составе звуковоспроизводящих установок высокого класса, а также для использования в качестве мощного широкополосного операционного усилителя.
Основные технические характеристики усилителя:
Номинальная выходная мощность, Вт, при сопротивлении нагрузки,
Ом: 8..........................................................................................48
4..........................................................................................60
Диапазон воспроизводимых частот при неравномерности АЧХ не более 0,5 дБ и выходной мощности 2 Вт, Гц..................10…200000
Коэффициент нелинейных искажений при номинальной мощности
в диапазоне 20…20000 Гц, %....................................................0,05
Номинальное входное напряжение, В .................................. 0,8
Входное сопротивление, кОм......................................................47
Выходное сопротивление, Ом..................................................0,02
Входной каскад усилителя представляет собой два дифференциальных усилителя (включенных параллельно), выполненных на транзисторах VT1, VT3 и VT2, VT4 противоположной структуры. Генераторы тока на транзисторах VT5, VT6 обеспечивают стабильность значений (около 1 мА) суммарных эмиттерных токов дифференциальных пар, а также развязку по цепям питания. Сигнал на выходной усилитель подается с управляемых генераторов тока (VT7, VT7), которые работают противофазно. Такое включение увиличило ток "раскачки" в два раза, снизило нелинейные искажения и улучшило частотные свойства усилителя в целом. Каждое из плеч симметричного выходного усилителя выполнено по схеме Дарлингтона, и представляет собой трехкаскадный усилитель (в двух каскадах транзисторы включены по схеме с общим эмиттером и в одном - с общим коллектором). Усилитель охвачен частотно - зависимой ООС, определяющей его коэффициент передачи по напряжению, который в звуковом диапазоне близок к трем. Так как сигнал обратной связи, снимаемый с резистора R39 (R40), пропорционален изменениям тока выходного транзистора, то дополнительно осуществляется довольно жесткая стабилизация рабочей точки этого транзистора. Напряжение смещения выходной ступени определяется сопротивлением перехода коллектор - эмиттер транзистора VT9 и регулируется резистором R24. Напряжение смещения термостабилизировано диодом VD4, который закреплен на теплоотводе одного из мощных транзисторов.
Элементы коррекции R16, С4, С6 - С11 обеспечивают устойчивость усилителя и выравнивают его АЧХ. Пассивный фильтр низких частот R2C1 предотвращает попадание на вход радиочастотных сигналов. Цепочка C12R45L1R47 компенсирует реактивную составляющую сопротивления нагрузки. На транзисторах VT12 и VT13 собран узел защиты выходных транзисторов от перегрузок по току и напряжению. Резистор R1 позволяет при необходимости ограничить выходную мощность в соответствии с уровнем сигнала от предварительного усилителя и возможностями применяемого громкоговорителя.
В усилителе можно использовать и другие маломощные высокочастотные кремниевые транзисторы, например КТ342А, КТ342Б и КТ313Б, КТ315 и КТ361 (с индексами от В до Е). Транзисторы VT14 и VT15 (возможная замена - КТ816В, КТ816Г и КТ817В, КТ817Г или КТ626В и КТ904А) снабжены ребристыми теплоотводами размерами 23x25x12 мм. В качестве выходных можно применить транзисторы КТ818ГМ и КТ819ГМ, которые позволяют при повышении напряжения питания получать мощности свыше 70 Вт. Стабилитрон VD1 может быть также Д816Г или 2С536А, VD2 и VD3 - КС147А (при соответствующей коррекции сопротивлений резисторов R11 и R14).

Принципиальная схема высококачественный УНЧ
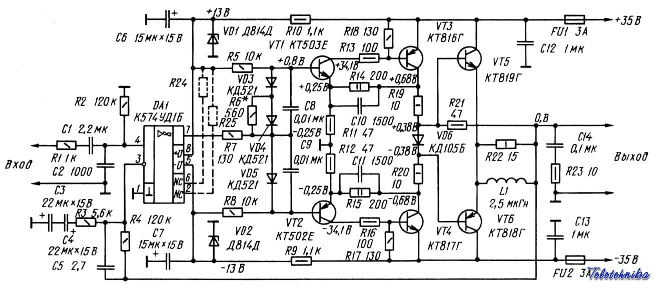
Усилитель мощности ЗЧ
Основные технические характеристики:
Номинальная (максимальная) мощность, Вт ..................... 60(80)
Номинальный диапазон частот, Гц ................................ 20…20000
Коэффициент гармоник в номинальном диапазоне частот , % 0,03
Номинальное входное напряжение, В.....................................0,775
Выходное сопротивление, Ом, не более................................. 0,08
Скорость нарастания выходного напряжения , В/мкс ............. 40
Основное усиление по напряжению обеспечивает каскад на быстродействующем ОУ DA1. Предоконечный каскад усилителя собран на транзисторах VT1 - VT4. В отличие от прототипа, в описываемый усилитель добавлен выходной эмиттерный повторитель, выполненный на транзисторах VT5, VT6, работающих в режиме «В». Температурная стабильность достигнута включением в коллекторные цепи транзисторов VT3, VT4 резисторов сравнительно большего сопротивления R19, R20. Каждое плечо предоконечного каскада охвачено цепью местной ООС глубиной не менее 20 дБ. Напряжение ООС снимается с коллекторных нагрузок транзисторов VT3, VT4 и через делители R11R14 и R12R15 подается в эмиттерные цепи транзисторов VT1, VT2. Частотная коррекция и устойчивость по цепи ООС обеспечивается конденсаторами СЮ, С11. Резисторы R13, R16 и R19, R20 ограничивают максимальные токи предоконечного и оконечного каскадов усилителя при коротком замыкании нагрузки. При любых перегрузках максимальный ток транзисторов VT5, VT6 не превышает 3,5…4 А, причем в этом случае они не перегреваются, поскольку успевают сгореть предохранители FU1 и FU2 и отключить питание усилителя.
Снижение коэффициента гармоник достигнуто введением глубокой (не менее 70 дБ) общей ООС, напряжение которой снимается с выхода усилителя и через делитель C3C5R3R4 подается на инвертирующий вход ОУ DA1. Конденсатор С5 корректирует АЧХ усилителя по цепи ООС. Включенная на входе усилителя цепь R1C1 ограничивает его полосу пропускания частотой 160 кГц. Максимально возможная линеаризация АЧХУМЗЧ в полосе 10…200 Гц достигнута соответствующим выбором емкости конденсаторов С1,СЗ, С4.
Вместо указанных на схеме можно использовать ОУ К574УД1А, К574УД1В и транзисторы тех же типов, что и на схеме, но с индексами Г, Д (VT1, VT2) и В (VT3 - VT6).

Принципиальная схема УНЧ
УМЗЧ с выходным каскадом на полевых транзисторах
Основные технические характеристики:
Номинальная (максимальная) выходная мощность , Вт .. 45(65)
Коэффициент гармоник, %, не более,.................................... 0,01
Номинальное входное напряжение , мВ ............................ 775
Номинальные диапазон частот, Гц, ......................... 20…100000
Скорость нарастания выходного напряжения, В/мкс, ................60
Отношение сигнал/шум, дБ ..................................................... 100
Входной каскад усилителя выполнен на ОУ DA1. Для увеличения амплитуды выходного напряжения применено управление выходными транзисторами УМЗЧ по цепям питания ОУ. Выходной сигнал снимается с положительного вывода питания DA1 и через включенный по схеме с ОБ транзистор VT1 подается на один из входов дифференциального каскада на транзисторах VT2, VT4. На второй его вход поступает стабилизированное напряжение с делителя, образованного диодами VD2 - VD5 и резистором R13.
Описываемый усилитель не требует принятия каких - либо специальных мер для защиты выходных транзисторов от коротких замыканий в нагрузке, поскольку максимальное напряжение между истоком и затвором только в два раза превышает это же напряжение в режиме покоя и соответствует току через выходной транзистор примерно 9 А. Такой ток примененные транзисторы надежно выдерживают в течение того времени, которое необходимо для перегорания предохранителей и отключения УМЗЧ от источника питания.
Катушка L1 намотана в один слой на тороидальном каркасе с наружным диаметром 20, внутренним 10 и высотой 10 мм и содержит 28 витков провода ПЭВ-2 1,0.
В УМЗЧ желательно использовать ОУ КР544УД2А, как самый широкополосный отечественный ОУ с внутренней частотной коррекцией. Транзисторы КТ3108А заменимы КТ313А, КТ313Б, а КП912Б - КП912А и КП913, КП920А.

Принципиальная схема УМЗЧ с выходным каскадом на полевых транзисторах
Высококачественный усилитель мощности
При проектировании описываемого ниже усилителя за основу был взят усилитель "Квод - 405", удачно сочетающий в себе высокие технические характеристики и схемную простоту. Структурная схема усилителя в основном осталась неизменной, исключены лишь устройства защиты транзисторов выходного каскада от перегрузки. Практика показала, что устройства такого рода не исключают полностью отказов транзисторов, но нередко вносят нелинейные искажения при максимальной выходной мощности. Ток транзисторов можно ограничить и иначе, например, используя защиту от перегрузки по току в стабилизаторах напряжения. В то же время представляется целесообразной защита громкоговорителей при выходе из строя усилителя или источников питания. Для улучшения симметрии усилителя выходной каскад выполнен на комплементарной паре транзисторов, а для уменьшения нелинейных искажений типа "ступенька" между базами транзисторов VT9, VT10 включены диоды VD5, VD6. При этом обеспечивается достаточно надежное закрывание транзисторов выходного каскада в отсутствие сигнала. Незначительно изменена входная цепь. В качестве сигнального использован неинвертирующий вход ОУ DA1, что позволило увеличить входное сопротивление усилителя (оно определяется сопротивлением резистора R1 и равно 100 кОм.) Следует, однако отметить, что и в неинвертирующем варианте устойчивость усилителя остается высокой. Для предотвращения щелчков в громкоговорителях, обусловленных переходными процессами при включении питания, а также для защиты громкоговорителей от постоянного напряжения при выходе из строя усилителя или источников питания применено простое, хорошо зарекомендовавшее себя устройство (VT6 - VT8), используемое в промышленном усилителе "Бриг - 001". При срабатывании этого устройства загорается одна из ламп HL1, HL2, сигнализируя о наличии на выходе усилителя постоянного напряжения той или иной полярности. В основном схема описываемого усилителя не отличается от схемы усилителя "Квод -405". Катушки намотаны проводом ПЭВ-2 1,0 на каркасах диаметром 10 мм и содержат: L1 и L3 - по 50 витков (индуктивность - 5…7 мкГн), L2 - 30 витков (3 мкГн).
Вместо указанных на схеме в усилителе можно использовать ОУ К574УД1Б, К574УД1В, К544УД2, а также ( при некотором ухудшении параметров) К544УД1 и К140УД8А - К140УД8В; транзисторы КТ312В, KT373A(VT2), KT3107B, КТ3107И, КТ313Б, КТ361В, КТ361К (VT1, VT3, VT4), КТ315В (VT6, VT8), КТ801А, КТ801Б (VT7). Каждый из транзисторов КТ825Г можно заменить составными транзисторами КТ814В, КТ814Г+КТ818В, КТ818Г, а КТ827А -составными транзисторами КТ815В, КТ815Г+КТ819В, КТ819Г. Диоды VD3 - VD6, VD11, VD12 - любые кремниевые с максимальным прямым током не менее 100 мА, VD7 - VD10 - то же, но с максимальным током не менее 50 мА. При отсутствии стабилитронов КС515А допустимо использовать соединенные последовательно стабилитроны Д814А, Д814Б или КС175А.
Основные технические характеристики:
Максимальная выходная мощность, Вт, на нагрузке 4 Ом..... 2x70
Номинальное входное напряжение, В ..................................... 0,2
Верхняя граница диапазона частот , кГц .................................... 50
Скорость нарастания выходного напряжения, В/мкс ..............5,5
Отношение сигнал/шум (невзвешенное), дБ ............................... 80
Коэффициент гармоник, %, не более, ........................................0,05

Принципиальная схема высококачественного усилителя мощности
Усилитель с многопетлевой ООС
Основные технические характеристики:
Номинальный диапазон частот, Гц, ............................... 20…20000
Номинальное сопротивление нагрузки, Ом ................................... 4
Номинальная (максимальная) вых. мощность, Вт, при сопротивлении нагрузки, Ом:
4 .................................................................................. 70(100)
8 ........................................................................................40(60)
Диапазон частот, Гц, ..................................................... 5…100000
Скорость нарастания выходного напряжения, В/мкс, не менее … 15 Коэффициент гармоник, %, не более, на частоте, Гц:
20…5000 .................................................................................. 0,001
10000 ................................................................................ 0,003
20000 ................................................................................. 0,01
Коэффициент гармоник, %, не более, ...................................... 0,01
Номинальное входное напряжение, В .......................................... 1
Входное сопротивление, кОм, не менее, ...................................... 47
Первый каскад собран на операционном усилителе (ОУ) DA1, остальные - на транзисторах (второй и третий - соответственно на VT1, VT3, четвертый - на VT8, VT11 и VT10, VT12, пятый - на VT13, VT14). В четвертом (предоконечном) каскаде использованы транзисторы разной структуры, включенные по схеме составного эмиттерного повторителя, что позволило ввести в него местную ООС и таким образом повысить линейность и снизить выходное сопротивление. Для снижения переходных искажений на высоких частотах выходной каскад работает в режиме АВ, а сопротивление резисторов цепей смещения (R30, R33) ограничены величиной 15 Ом. Все транзисторные каскады усилителя охвачены цепью местной ООС глубиной не менее 50 дБ. Напряжение ООС снимается с выхода усилителя и через делитель R10R12 подается в цепь эмиттера транзистора VT1. Частотная коррекция и устойчивость по цепи ООС обеспечиваются конденсатором С4. Введение местной ООС позволило даже при самых неблагоприятных сочетаниях усилительных свойств транзисторов ограничить коэффициент гармоник этой части усилителя величиной 0,2%. Устройство защиты состоит из триггера на транзисторах VT6, VT7 и порогового элемента на транзисторе VT9. Как только ток через любой из выходных транзисторов превысит 8…9 А, транзистор VT9 открывается, и его коллекторный ток открывает транзисторы триггера VT6, VT7.

Принципиальная схема усилителя с много-петлевой ООС
Усилитель мощности ЗЧ
Предлагаемый вниманию радиолюбителей усилитель ЗЧ имеет очень низкие коэффициенты гармонических и интермодуляционных искажений, он сравнительно прост, способен выдерживать кратковременное короткое замыкание в нагрузке, не требует выносных элементов термостабилизации тока транзисторов выходного каскада.
Основные технические характеристики:
Максимальная мощность на нагрузке 4 Ом, Вт ........................... 80
Номинальный диапазон частот, Гц ...................................20....20000
Коэффициент гармоник при максимальной выходной мощности 80 Вт, %, на частоте:
1 кГц................................................................................. 0,002
20..................................................................................... 0,004
Коэффициент интермодуляционных искажений, %..................0,0015
Скорость нарастания выходного напряжения , В/мкс ....................40
Для увеличения входного сопротивления в усилитель ЗЧ введены транзисторы VT1, VT2. Это облегчило работу ОУ DA1 и позволило обеспечить стабильное напряжение база - эмиттер транзисторов VT3, VT4 при изменении температуры.
Резистором R14 устанавливается симметрия плеч выходного каскада усилителя.

Принципиальная схема усилителя мощности ЗЧ
Простой усилитель мощности
Основные технические характеристики:
Входное напряжение, В ..............................................................1,8
Входное сопротивление, кОм .....................................................10
Номинальная выходная мощность, Вт, ......................................... 90
Номинальный диапазон частот, Гц ................................ 10…20000
Коэффициент гармоник, %, на частоте, Гц:
200 .................................................................................... 0,01
2000 ............................................................................ 0,018
20000 ............................................................................... 0,18
Относительный уровень шумов , дБ, не более ......................... -90
Скорость нарастания выходного напряжения, В/мкс ................. 17
Усилитель мощности состоит из каскада усиления напряжения на быстродействующем ОУ DA1 и выходного камскада на транзисторах VT1 - VT4. Транзисторы комплементарной пары предоконечного каскада (VT1 - VT2) включены по схеме с общей базой, а оконечного (VT3 - VT4) - с общим эмиттером. Такое включение мощных составных транзисторов оконечного каскада обеспечивает усиление сигнала не только по току, но и по напряжению. Симметричность плеч выходного каскада способствует снижению вносимых усилителем нелинейных искажений. С этой же целью он охвачен цепью общей ООС, напряжение которой снимается с выхода усилителя и через резистор R3 подается на неинвертирующий вход ОУ. Конденсаторы С4, С5, шунтирующие резисторы R6, R7 снижают искажения типа "ступенька". Цепь R12C6 предотвращает самовозбуждение усилителя в области высших звуковых частот и повышает устойчивость его работы при реактивном характере нагрузки. Коэффициент усиления зависит от соотношения сопротивлений резисторов R2, R3. При указанных на схеме номиналах он равен 10.
Для питания усилителя подойдет любой нестабилизированный двуполярный источник напряжением 25…45 В. Вместо транзисторов КТ503Д можно использовать КТ503Е, вместо КТ502Д - КТ502Е. Транзисторы КТ827Б и КТ825Д можно заменить составными из транзисторов КТ817Г + КТ819ГМ и КТ816Г + КТ818ГМ соответственно.

Принципиальная схема простого усилителя мощности
Усилитель мощности на 200 Вт с блоком питания
Основные технические характеристики:
Номинальный диапазон частот, Гц ............................... 20…20000
Максимальная выходная мощность, Вт, на нагрузке 4 Ом ........ 200
Коэффициент гармоник, %, при выходной мощности 0,5..150 Вт на частоте, кГц
1 ..........................................................................................0,1
10 .................................................................................... 0,15
20 .................................................................................... 0,2
КПД, %............................................................................................. 68
Номинальное входное напряжение, В............................................ 1
Входное сопротивление, кОм ................................................ 10
Скорость нарастания выходного напряжения, В/мкс ................... 10
Каскад предварительного усиления выполнен на быстродействующем ОУ DA1 (К544УД2Б), который наряду с необходимым усилением по напряжению обеспечивает устойчивую работу усилителя с глубокой ООС. Резистор обратной связи R5 и резистор R1 определяет коэффициент усиления усилителя. Выходной каскад выполнен на транзисторах VT1 - VT8. Стабилитроны VD1, VD2 стабилизируют напряжение питания ОУ, которое одновременно используется для создания необходимого напряжения смещения выходного каскада. Конденсаторы С4, С5 -корректирующие. С увеличением емкости конденсатора С5 растет устойчивость усилителя, но одновременно увиличиваются нелинейные искажения, особенно на высших звуковых частотах. Усилитель сохраняет работоспособность при снижении напряжения питания до 25 В.
В качестве источника питания можно использовать обычный двуполярный блок питания, принципиальная схема которого Мощные составные транзисторы VT7 и VT8, включенные по схеме эмиттерных повторителей, обеспечивают достаточно хорошую фильтрацию пульсаций напряжения питания с частотой сети и стабилизацию выходного напряжения благодаря установленным в цепи базы транзисторов стабилитронам VD5 - VD10. Элементы L1, L2, R16, R17, С11, С12 устраняют возможность возникновения высокочастотной генерации. Резисторы R7, R12 блока питания представляют собой отрезок медного провода ПЭЛ, ПЭВ-1 или ПЭЛШО диаметром 0,33 и длиной 150 мм, намотанного на корпусе резистора МЛТ-1. Трансформатор питания выполнен на тороидальном магнитопроводе из электротехнической стали Э320, толщиной 0,35 мм, ширина ленты 40 мм, внутренний диаметр магнитопровода 80, наружный - 130 мм. Сетевая обмотка содержит 700 витков провода ПЭЛШО 0.47, вторичная - 2x130 витков провода ПЭЛШО 1,2 мм.
Вместо ОУ К544УД2Б можно использовать К544УД2А, К140УД11 или К574УД1. Каждый из транзисторов КТ825Г можно заменить составными транзисторами КТ814Г, КТ818Г, а КТ827А-составными транзисторами КТ815Г, КТ819Г. Диоды VD3 - VD6 УМЗЧ можно заменить любыми высокочастотными кремниевыми диодами, VD7, VD8 - любыми кремниевыми с максимальным прямым током не менее 100 мА. Вместо стабилитронов КС515А можно использовать соединенные последовательно стабилитроны Д814А (Б, В, Г, Д) и КС512А.

Принципиальная схема усилителя мощности на 200 Вт

Принципиальная схема блока питания