


Теги: Подключение панели Mitsubishi
Категория: Приборные панели авто
Звук в автомобиле
Звуковая техника
Подключение блоков ЭБУ на столе
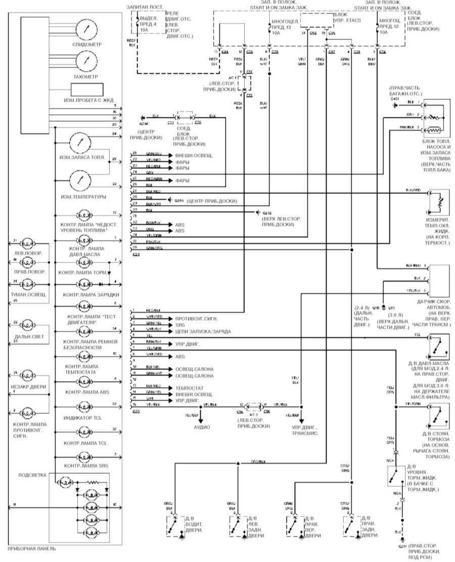
Подключение панелей авто
Ремонт блоков БСМ
Разъёмы автомагнитол
Ввод кода в магнитолы
Раскодирование магнитол
Активация видео входа
Для телемастера
Технологические приёмы
Видео техника
Цифровая техника
Справочные данные
Раздел для начинающих
Блоки питания
